Hola,
Tengo esto que pedí de Aliexpress hace nada por menos de 1 €:
https://www.aliexpress.com/item/1005006304693304.html?spm=a2g0o.order_list.order_list_main.5.19021802zNSs8l

Con esto la gente se está haciendo en un rato unos controladores de charles que funcionan tanto con módulos trigger-to-MIDI como con módulos populares existentes. Aquí os dejo algunos vídeos y perdonadme la turra de antemano:
Aquí haciéndolo funcionar en un plis con un módulo Roland TD-10:
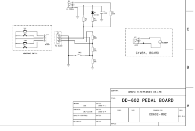
Mi pregunta es si alguien se ha puesto a cacharrear con esto en un módulo dd602.
De hecho, no entiendo muy bien ni cómo funciona el pedal de serie en los dos modos que tiene y que se pueden elegir con el interruptor. Tengo que mirar aún las instrucciones. ¿Alguien me lo puede explicar, grosso modo?
Lo que si ví, en el manual de servicio, es que la entrada no parece que lo vaya a permitir. Pero si alguien puede arrojar algo más de luz, estaría muy bien. ignotus , yo te invoco!! 😁
Tengo esto que pedí de Aliexpress hace nada por menos de 1 €:
https://www.aliexpress.com/item/1005006304693304.html?spm=a2g0o.order_list.order_list_main.5.19021802zNSs8l

Con esto la gente se está haciendo en un rato unos controladores de charles que funcionan tanto con módulos trigger-to-MIDI como con módulos populares existentes. Aquí os dejo algunos vídeos y perdonadme la turra de antemano:
Aquí haciéndolo funcionar en un plis con un módulo Roland TD-10:
Mi pregunta es si alguien se ha puesto a cacharrear con esto en un módulo dd602.
De hecho, no entiendo muy bien ni cómo funciona el pedal de serie en los dos modos que tiene y que se pueden elegir con el interruptor. Tengo que mirar aún las instrucciones. ¿Alguien me lo puede explicar, grosso modo?
Lo que si ví, en el manual de servicio, es que la entrada no parece que lo vaya a permitir. Pero si alguien puede arrojar algo más de luz, estaría muy bien. ignotus , yo te invoco!! 😁
Responder
Citar
